Настил пола салона (каталог запчастей Дэу Джентра / Шевроле Лачетти)

Уважаемые друзья!
Наш сайт переехал на новый адрес.
Перейдите на ЭТУ ЖЕ СТРАНИЦУ НА НОВОМ САЙТЕ
Там гораздо лучше!

Руководство предназначено для автомобилей Chevrolet Lacetti и Daewoo Gentra

         
 

Обслуживание     Двигатель     Трансмиссия     Тормоза    Подвеска    Рулевое    Кузов    Электрика    Схемы    HVAC     SRS     Каталог з/ч
 
 
   Обозначения комплектаций
+ ДВИГАТЕЛЬ
+ УПРАВЛЕНИЕ ДВИГАТЕЛЕМ
+ СЦЕПЛЕНИЕ И ТРАНСМИССИЯ
+ ХОДОВАЯ ЧАСТЬ
+ ТОРМОЗА
+ РУЛЕВОЕ УПРАВЛЕНИЕ
+ КУЗОВ И ЭКСТЕРЬЕР
-  САЛОН И ИНТЕРЬЕР
-  Панель управления
-  Облицовка панели управления
-  Элементы панели управления
-  Консоль
-  Щиток панели управления
-  Облицовка передней двери
-  Облицовка задней двери
-  Облицовка потолка
-  Задняя полка
-  Облицовка стоек салона
-  Облицовка багажного отсека
-  Солцезащитный козырек и зеркало
-  Переднее сиденье
-  Части переднего сиденья
-  Салазки переднего сиденья
-  Заднее сиденье 2
-  Ремни безопасности переднего сиденья
-  Ремни безопасности заднего сиденья
-  Настил пола салона

+ ЭЛЕКТРООБОРУДОВАНИЕ
+ ОТОПЛЕНИЕ И КОНДИЦИОНИРОВАНИЕ
+ ИНСТРУМЕНТ И АКСЕССУАРЫ

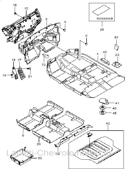
Настил пола салона



7610 FLOOR CARPET





[01]
96969608

КОВРОВОЕ ПОКРЫТИЕ ПОЛА

CARPET ASM-FLR PNL
1   Localized

[02]
94530478

КЛИПСА

RETAINER ASM-FLR CPT
1  

[03]
96464763

ИЗОЛЯЦИЯ ЩИТКА ВНУТРЕННЯЯ САЛОНА

INSULATOR-DA PNL INR
1  

[04]
94530387

КЛИПСА

RETAINER-DA PNL INR INSL
11  

[05]
96436033
96436034

ИЗОЛЯЦИЯ ПЕРЕДНЕГО ПОЛА
  &C35

INSULATOR-FLR PNL FRT
1  
1  

[10]
94530387

КЛИПСА
  &VFT.

RETAINER-DA PNL OTR INSL
11  

[12]
96433097
96436037

ИЗОЛЯЦИЯ ЩИТКА, НАРУЖНАЯ
  &TDW.
  &VFT.

INSULATOR-DA PNL OTR
1  
1  

[15]
96556928

КРОНШТЕЙН

BRACKET-DRVR F/RST
L 1  

[16]
94515096

ГАЙКА

NUT-DRVR F/RST BRKT
3  

[17]
96616635

НАКЛАДКА ДЛЯ ЛЕВОЙ НОГИ
  &82I.

FOOTREST-DRVR
L 1  

[20]
96436035

ИЗОЛЯЦИЯ СРЕДНЕГО ПОЛА

INSULATOR-FLR PNL RR
1  

[23]
96497004
96497005

ПРОКЛАДКА ЧАШКИ ЗАДНЕЙ СТОЙКИ ПОДВЕСКИ

INSULATOR ASM-RR SUSP STRUT
L 1  
R 1  

[28]
96247406

ШУМОИЗОЛЯЦИЯ
  &CF5.

DEADENER-RF PNL
4  

[40]
96556891
96556892

ИЗОЛЯЦИЯ ЦЕНТРАЛЬНОЙ СТОЙКИ

INSULATOR ASM-CTR PLR INR PNL LWR
L 1  
R 1  

[42]
96436036

ИЗОЛЯЦИЯ ЗАДНЕГО СИДЕНЬЯ

INSULATOR-FLR PNL R/SEAT
1  

[43]
96615713
96615715

КОВРОВОЕ ПОКРЫТИЕ БАГАЖНИКА
  &QSU
  &RHA

CARPET ASM-R/CMPTFLR PNL
1
1  

[45]
94530693
94530695

КЛИПСА

CLIP-FLR CPT RET (AT CTR PLR)
1  
1  

[51]
94520326

БОЛТ/ВИНТ

BOLT/SCREW-DRVR F/RST
L 1  

[67]
96556958
96556959

ИЗОЛЯЦИЯ ПОЛКИ САЛОНА

INSULA TOR-R/WDO PNL
L 1  
R 1  


    руководство